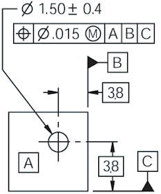
最大實體狀況(Maximum Material Condition,MMC),
表示當材料最大實體時(最大軸、最小孔)的情況。
當軸的尺寸變小,有更多空間接受軸的幾何變異,
軸的變異範圍都會落在紅色箭頭指出的Virtual Condition中,
軸的Virtual Condition等於最大尺寸+幾何公差。
下圖中綠色字體為MMC狀態、藍色字體為LMC狀態、紫色字體為RFS(一般默認)狀態,
通常MMC使用於裝配但不精準定位,確保軸孔能順利裝配下放大公差降低成本,
LMC用於強度要求,確保工件具有一定肉厚,紅框處為MMC情況可以接受更大的幾何公差。
MMC在3DCS中呈現
(́提◞౪◟供‵)
3DCS
3DCS
►3DCS │一維公差分析與三維公差分析的差異-part1
台灣CAE-QA論壇
全世界的CAE使用者遇到問題時一定都上網找過答案,但有時候答案真的不好找,多希望有專業顧問可以解答。
鑫威資訊建立了自己的CAE-QA論壇,期望讓全世界CAE使用者都能在這裡找到最適合的答案!
免費註冊!! <<前往QA>>
我有疑問、想知道更多!🙋↓↓↓歡迎提問!
全世界的CAE使用者遇到問題時一定都上網找過答案,但有時候答案真的不好找,多希望有專業顧問可以解答。
鑫威資訊建立了自己的CAE-QA論壇,期望讓全世界CAE使用者都能在這裡找到最適合的答案!
免費註冊!! <<前往QA>>
我有疑問、想知道更多!🙋↓↓↓歡迎提問!







